BUSINESS

제조품

압전식 진동기 친환경적이고 경제적인 파츠 피더
  • 절연 승압 변압기를 진동기에 내장하여 컨트롤러가 가볍고 작습니다.
  • 압전 피더는 발열이 없고 자기가 발생하지 않으므로 작업이 편안하고 안전합니다.
  • 압전 피더의 소비전력은 전자기 피더의 30%~50% 수준이므로 (당사 비교) 친환경적이며 경제적입니다.
  • 물론, 100V, 200V 공용이며, 판스프링 조정이 필요없습니다.
제품명 : 승압ㆍ절연 변압기 내장 압전 구동 파츠 피더 [특허 제4776384호]
전자식 진동기 좀 더 센 힘이 필요해! 그런때의 MB, ML 시리즈
  • 파워풀하여 크기가 크거나 무거운 작업재를 안정되게 이송합니다.
  • 사용 환경에 관계없이 파워풀하게 작업재를 이송합니다.
  • 방진 효과가 높으며 주변 기기와의 간섭도 적고 안정된 진동을 발휘합니다.
  • 활송 장치와의 전환이 곤란한 경우에 최적입니다.
  • 확실히 고정되므로 편심 등의 걱정이 없습니다.
캠식 진동기 하사점 이송 방식의 초고속 이송 시스템
  • 초고속 이송이 필요할 경우
  • 이송 워크가 스크래치에 민감할 경우
  • 방폭 사양이 필요할 경우
  • 정밀 이송이 필요할 경우
이 하사점 이송에서는 G < 1으로 워크는 트러프로부터 멀어지지 않고, 항상 접촉하면서 보내져 워크에 충격이나 충돌음이 발생하지 않고, 보내는 방법이다. 또 1 < G < 1.5의 영역에서는 워크는 트러프로부터 10~20%정도 떨어지지만, 미소하며 전송 속도는 이론 속도에 가장 가깝고 빠르다.
컨트롤러 압전식 전자식 컨트롤러
  • 압전식 컨트롤러 : AFC Series
  • 압전식 2CH DC24V & 220V 컨트롤러 : AFC-24D2 / AFC-220A2
  • 전자식 컨트롤러 : SDVC Series
그외 리모콘 기능 및 DC24V용 및 2채널 컨틀롤러가 필요할 경우 별도 문의 부탁드립니다.

압전식볼피더

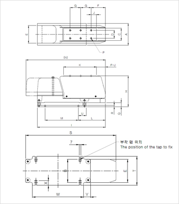
규격

모델별 사양

Symbol
Model
A B C D E F G H I J K L O Q R S Diagram No
PEF-090 90 100 100 50 2.3 15 175 80 30 10 7 M6 - - - - 1
PEF-120 120 130 114 50 2.3 15 205 110 110 10 7 M6 - - - -
PEF-150 150 160 136 - 2.3 15 225 130 130 10 7 M8 M5 8 16 - 2
PEF-190 190 210 187 - 2.3 15 290 180 180 10 7 M12 M5 8 16 22 3
PEF-230 230 260 205 - 2.3 15 330 220 220 10 7 M12 M8 9.5 19 27
PEF-300 300 320 225 - 3.2 19 414 270 270 15 7 M12 M8 9.5 19 32
PEF-390 390 410 252 - 3.2 26 504 350 350 15 7 M16 M10 11.5 24 37

* PEF-460은 별도 문의 부탁드립니다.

규격별 세부

품명 90A 120A 150A 190A 230A 300A 390A
구동원 압전소자
입력전압(V) 0 ~ 250
입력주파수(Hz) 60 ~300
입력전류(mA) 8 15 37 65 90 165 166
공진주파수(Hz) ±10Hz 255 240 223 310 165 152 115
허용
최대볼
최대직경(mm) 120 150 250 310 370 500 620
최대중량(kg) 0.3 0.6 2 3 5 8 15
운송방향 R(시계방향) / L(반시계방향)
본체중량(kg) 1.7 3.3 5.3 12.3 17.8 32.6 53
사용온도(℃) 0 ~ 40
사용습도(%RH) 10 ~ 90
적용콘트롤러 AFC - T060TF AFC - T200TF

압전식 인라인 피더

AFR-006 / 015 / 030 / 040 / 050

AFR - 고무다리 방진식 리니어 피더 특징

고무다리 방진식(Rubber insulateor type) AFR 시리즈는 열악한 환경조건에도 적용이 쉬운 리니어 피더입니다.

  • 방진효과가 높고, 주변기기와의 간섭이 적어 안정된 진동을 얻을 수 있습니다.

AFJ-005 / 012 025

AFJ - 연결스프링 방식 리니어 피더 특징

연결스프링 방식(Joint spring insulator type) AFJ 시리즈는 작거나 얇은 워크이송에 안정된 성능을 발휘합니다.

  • 연결스프링으로 확실하게 고정되므로 흔들림의 염려없이 안정적인 이송이 가능합니다.을 수 있습니다.

AFR 사양치수표 - Dimension

(단위 : mm / unit : mm)

모델(Model) A B C D E F G H I K L M N O P Q R T
AFB - 006 65 45 28 15 35 8 40 89 151 25 64 4-M4 31 120 39 42 20 5
AFB - 015 75 60 42 27 49 12 40 107 177 30 75 4-M5 47 130 40 50 23 5
AFB - 030 80 65 43 27 53 23 2*40 119 280 30 128 4-M5 70 210 40 130 50 5
AFB - 040 90 70 55 37 65 26 2*52 144 330 40 168 4-M6 90 240 45 150 40 5
AFB - 050 100 80 70 46 80 30 2*60 177 390 51.5 188 4-M8 110 280 45 190 50 5

AFJ 사양치수표 - Dimension

(단위 : mm / unit : mm)

모델(Model) A B C D E F G H I K L M N O P
AFB - 005 66 56 28 15 41 17 40 85 5 90 21 100 126 4-M5 4-M4
AFB - 012 84 70 43 27 55 16 2*40 111 6 128 28 140 176 4-M6 4-M5
AFB - 025 106 86 55 37 67 23 2*40 136 8 176 35 192 223 4-M8 4-M6

구동부 사양 - Specifications of drive unit

(단위 : mm / unit : mm)

분류(Classification) AFR AFJ
형식(Model) AFR-006 AFR-015 AFR-030 AFR-040 AFR-050 AFR-005 AFR-012 AFR-025
구동부 질량(kg) 2.3 4.2 8.5 13.5 23.6 1.8 4.3 8.8
입력전압(Hz) 0 - 11
입력주파수(Hz) 60 - 300
소비전류(표준가공볼) 7 13 20 30 41 5 7 10
공진주파수(표준가공볼) 200 300 125 115 75 125 120 100
스프링각도 15º
최대슈트길이(mm) 300 400 500 600 700 300 350 500
최대슈트폭(mm) 20 34 45 48 50 22 33 45
최대슈프 질량(kg) 0.6 1.5 3 4 5 0.5 1.5 2.5
적용컨트롤러 표준 AFC-060 / 060T
정진폭 AFC-060F / 060TF 센서타이머 컨트롤 기능 - 옵션 : With sensor timer control funtion(option)

압전식 디지털 컨트롤러 AFC Series

상세 설명

형식 AFC - 060TF, AFC - T060TF AFC - 200TF, AFC - T200TF
기능 전압, 주파수를 독립적으로 가변 조정할 수 있는 D-CLASS AMP방식 압전 파츠 피더용 제어 장치
이송중인 작업을 검출하여 파츠 피더의 운전, 정지를 행하는 제어 기능
입력 전압 AC(V) 85 ~ 265
주파수(Hz) 50 / 60
1
출력 최대 전류(mA) 60 200
전압 AC(V) 0 ~ 12(트랜스 2차측 : 0 ~ 230)
주파수(Hz) 60 ~ 400
주파수 변동률(Hz) 0.01
동기신호 출력 DC 24V 50mA
알람 접점(Relay) 1A
센서용 전원 DC 24V 2200mA
ON DELAY(sec) 0 ~ 10
OFF DELAY(sec) 0 ~ 10
외부 제어 방식 전입(DC 12V ~ DC 24V) / 접점
사용 주위 온도 0℃ ~ 40℃(결빙 금지)
사용 주위 습도 10 ~ 90%RH(결로 금지)
도장 색상 그레이 BN - 75(일본 도장 공업회)
본체 질량(kg) 0.7

전자식 볼 진동기

규격별 세부 Specification

형식 (JA-150B)
JA-6B
(JA-C230)
JA-9C
(JA-C300)
JA-12C
(JA-C390)
JA-15C
(JA-C460)
JA-18C
(JA-C610)
JA-24T
구동원 전자석코일
입력전압(V) 100 / 110 or 200 / 230
입력주파수(Hz) 50 or 60
수전용량(VA) 100 120 250 400 500 900
코일간근(mm) 0.5 ~ 0.7
진동수(OPM) 6000 / 7200(일반적으로 전파임)
이송방향(R/L) R(시계방향) / L(반시계방향)
허용
최대볼
최대직경(mm) 200 370 500 620 760 1000
최대중량(kg) 2.5 6 12 20 30 42
본체중량(kg) 8 24 40 83 127 220
워크중량(kg) 0.8 2.5 3 5 10 15
사용온도(℃) 0 ~ 40
사용습도(%RH) 10 ~ 90
적용콘트롤러 별도 문의 바랍니다.

전자식 인라인 진동기

규격별 세부 Specification

구분 CS - 0 CS - 1 CS - 2
구동원 전자석코일
입력전압(V) 100 / 110 or 200 / 230
입력주파수(Hz) 50 or 60
수전용량(VA) 10 20 60
코일간근(mm) 0.5 ~ 0.7
본체중량(kg) 1.3 3.8 10
사용온도(℃) 0 ~ 40
사용습도(&RH) 10 ~ 90
적용콘트롤러 별도 문의 바랍니다.

슈트사양 Chute specification

구분 CS - 0 CS - 1 CS - 2
전장(mm) 200 300 500
폭(mm) 30 45 60
두께(mm) 10 ~ 15 ~ 20 15 ~ 20
허용중량(kg) 0.5 1 2
특성
  • 주파수 조정: 주파수를 공진주파수로 조정 및 세팅 가능합니다.
  • 자동 전압 발란싱: 내부 회로는 메인 전압의 변동에 의해 발생되는 피딩속도 변화를 차단.
  • 소프트 스타트 시간 조정: 파워 On시 갑작스러운 떨림으로부터 보호하기 위하여 출력 전압을 0부터 지정된 값까지 부드럽게 올립니다.
  • 스위치 센서 ON/OFF 제어: 1NPN스위치 센서나 PLC로 연결하여 컨트롤러를 On/Off.
  • Photoelectric 센서 ON/OFF 제어: 내CUH의 센서를 이용하여 컨트롤러를 On/Off.
  • Remote Speed Control: Potentiometer, PLC, 1-5V DC 신호를 이용하여 출력 전압을 조정.
  • DC 제어 출력: 컨트롤러는 ON/OFF제어를 통해서 저 전압 DC파워를 출력하여 솔레노이드나 다른 외부 장치를 제어 가능.
  • 키 패드 잠금: 내ON/OFF 버튼을 2초간 누르고 있으면 잠금 모드로 변경 가능.
  • 과열 보호: 컨트롤러 내부 온도가 높아지면 내부 보호를 위해 컨트롤러는 셧다운.
  • 과전류 보호: 출력 전류가 허용치를 넘으면 내부 보호를 위해 컨트롤러는 셧다운.
  • 원복가능 회로쇼트 보호: 출력이 쇼트되면 컨트롤러는 출력을 셧다운 시킵니다. 퓨즈는 보호되었기 때문에 손상이 없고 외부에 더 이상 쇼트 발생이 없으면 컨트롤러는 다시 구동 됩니다.
  • 최대 출력 전압 세팅: 너무 높은 전압으로 인한 진동기 손상을 보호하기 위해서 최대 출력 전압을 프리셋 할 수 있습니다.

Chart Spec <SDVC-S & SDVC-M>

항목 범위 유닛 설명
Min Typical Max
입력전압 85 220 260 V AC RMS
출력 전압 범위 0 - 260 V 입력 전압의 150%보다 낮게
전압 조정 단위 1 V
전압 규제 단위 0 - 10 % Vout / Vin
전압 규제 응답 시간 0.0025 - 0.025 s 출력전압 시간의 1/10
출력 전류 범위 0 - 1.5 A SDVC31-S-Lower power
0 - 3 A SDVC31-M-Medium power
출력 파워 0 - 330 VA SDVC31-S-Lower power
0 - 660 VA SDVC31-M-Medium power
출력 주파수 40 - 400 Hz
주파수 조정 단위 0.1 Hz
출력 파형 Sine
소프트 스타트 시간 0 - 10 s 기본값 0.5
On/Off 딜레이 범위 0 - 20 s 기본값 0.2
On/Off 딜레이 단위 0.1 s
과열 보호 시작 온도 58 60 66
DC제어 출력 전압 22 24 26 V
DC제어 출력 전류 0 - 200 mA
아날로그 제어 신호 1-5 V remote/speed/control
디지털 제어 신호 24 V Switching signal
조정 방법 6 Buttons
대기 시 사용 파워 - 3 - W
표기방법 5 Digit LED
사용 주위 온도 0 25 40 No condensation
사용 주위 습도 10 60 85 %
  • 외형: 190 * 53.6 * 94.5 (L * W * H)
  • 무게: S-> 560g M->610g
  • 기본 액세서리: 입력 파워 케이블 (1.5m) & 출력 파워 케이블 (1.5m)
  • 옵션 액세서리: 인텔리전 포토센서 (1.5m)
  • Models: SDVC31-S >1.5A<, SDVC31-M >3.0A<, SDVC31-L >4.5A<, SDVC31-XL >6.0A<, SDV31-U >10A<
번호 부품명칭
1 RUN LED
2 MODEL
3 전압/주파수 표시 LED
4 전압/주파수 선택 버튼
5 RUN/STOP 버튼
6 전압/주파수/모드 표시창
7 채널 선택 표시 LED
8 채널 선택 버튼
9 전압/주파수/모드 설정 엔코더
특성
  • 주파수 조정: 주파수를 공진주파수로 조정 및 세팅 가능합니다.
  • 소프트 스타트 시간 조정: 파워 On시 갑작스러운 떨림으로부터 보호하기 위하여 출력 전압을 0부터 지정된 값까지 부드럽게 올립니다.
  • 스위치 센서 ON/OFF 제어: NPN 센서나 릴레이접점으로 연결하여 컨트롤러를 On/Off.
  • DC 제어 출력: 컨트롤러는 ON/OFF제어를 통해서 저 전압 DC파워를 출력하여 솔레노이드나 다른 외부 장치를 제어 가능.
  • 키 패드 잠금: CH 버튼을 2초간 누르고 있으면 잠금 모드로 변경 가능.
  • 과열 보호: 컨트롤러 내부 온도가 높아지면 내부 보호를 위해 컨트롤러는 셧다운.
  • 과전류 보호: 출력 전류가 허용치를 넘으면 내부 보호를 위해 컨트롤러는 셧다운.
  • 원복가능 회로쇼트 보호: 출력이 쇼트되면 컨트롤러는 출력을 셧다운 시킵니다.
  • 2CH 기능 모드: 하나의 컨트롤러에서 2개의 진동기 출력제어 가능합니다.
  • 정밀한 피드백 기능: 피드백 감도 조절을 통한 정밀한 진동 조절이 가능합니다.

Chart Spec

항목 범위 유닛 설명
Min Typical Max
입력전압 24 24 24 DCV AFC-24D1 / AFC-24D2
80 220 240 ACV AFC-220A1 / AFC-220A2
출력 전압 범위 0 - 200 V
전압 조정 단위 0.1 V
전압 규제 응답 시간 0.002 - 0.02 s 출력전압 시간의 1/10
출력 전류 범위 0 - 160 mA AFC-24D1 / AFC-24D2
0 - 80 mA AFC-220A1 / AFC-220A2
출력 파워 0 - 32 VA AFC-24D1 / AFC-24D2
0 - 16 VA AFC-220A1 / AFC-220A2
출력 주파수 40 - 400 Hz
주파수 조정 단위 0.1 Hz
출력 파형 Sine Wave
소프트 스타트 시간 0 - 3 s 기본값 0.1
On/Off 딜레이 범위 0 - 10 s 기본값 0.1
On/Off 딜레이 단위 0.1 s
DC제어 출력 전압 21 24 25 V
DC제어 출력 전류 0 - 200 mA
조정 방법 엔코더 & 버튼 Buttons
사용 주위 온도 0 25 400 No condensation
사용 주위 습도 10 60 90 %
  • 외형: 152 * 90 * 141.5 (L * W * H)
  • 무게: 1.6kg
  • 기본 액세서리: 입력 파워 케이블 & 출력 파워 케이블